More about the Technidyne
The Technidyne license appears to revolve around at least two patents by Mr Jones. There is a
third patent that is listed on the AC-Dayton Navigator's label as well, and I believe this
patent is also used in the Continental chassis.

I'm still doing research on this subject, so this webpage will change as information comes my way.
The main patent that I believe applies mainly to the Navigator and the Equasonne is patent #1,673,287. This patent refers to a broadband, self-tuning, self-neutralizing RF amplifier
circuit using bi-filar wound coils. It relies on a relationship of these coils with the capacitance
offered by the tubes to "self-tune" itself. Due to the inductances and resonances offered
by the circuit, the capacitances of the tubes will change as the frequency being tuned which causes
the amplifier to tune itself to the incoming frequency. In better terms, the amplifier has a
broadband response offering fairly equal amplification across the AM broadcast band.
This arrangement requires that a tuner be used to select the desired frequency or station before
the signal is sent to the amplifier.
The front page of patent #1,673,287 can be found here
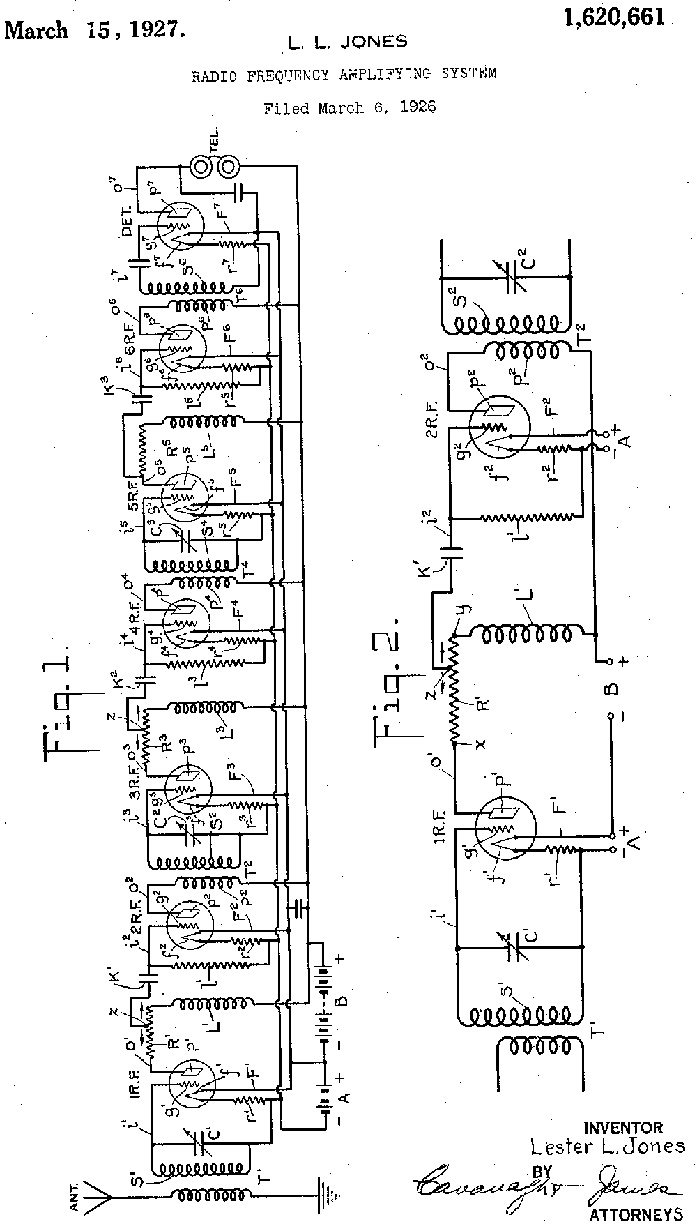
Another patent listed on both the Navigator and the Equasonne is #1,620,661. This patent refers
to yet another circuit invented by Mr Jones refering to another RF amplifier scheme. This circuit
shows a system where two tubes are cascaded together by an untuned coupling circuit. The first
stage is tuned, the second is untuned, the third is tuned, the fourth is untuned, etc. The
Navigator and the Equasonne do not follow this circuit at all, however the Continental circuit
follows this one almost exactly!
The front page of patent #1,620,661 can be found here
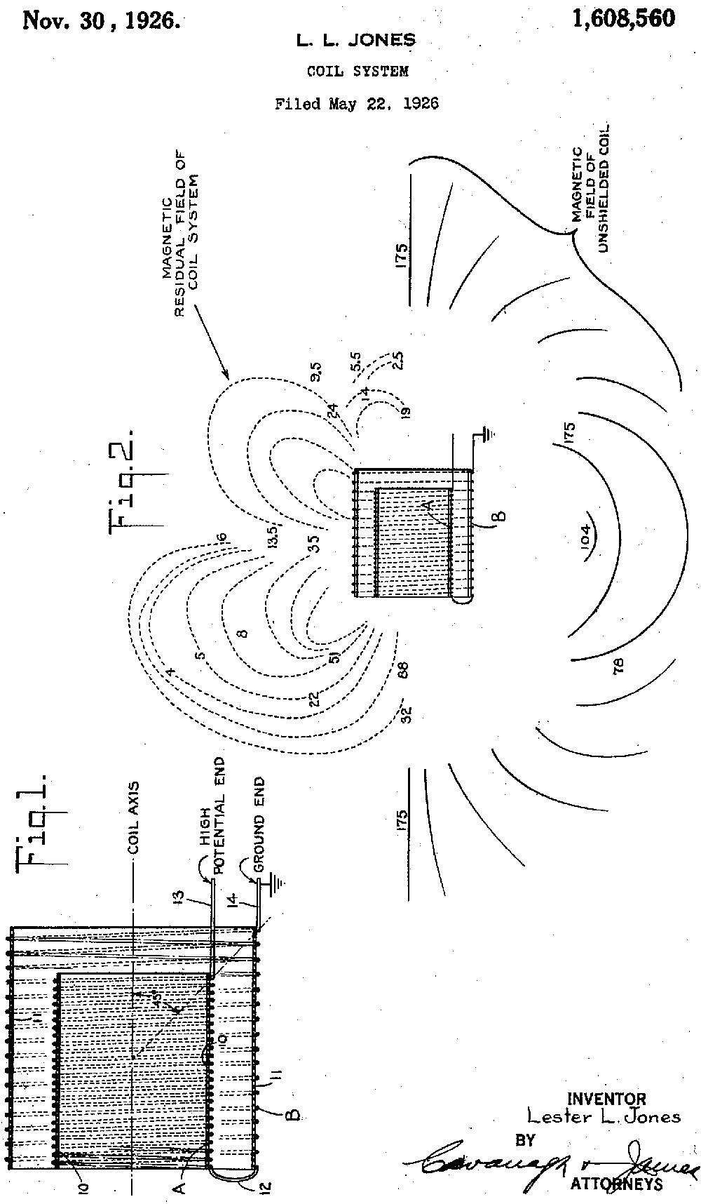
The third patent, which is listed on the Navigator, but not on the Equasonne, is #1,608,560.
This one refers to a self-shielding coil arrangement where two coils, one inside the other, are
connected in such a way that the outer coil "shields" the inner coil and reduces the
mgnetic field around the coil system so that it won't interact with another coil in its vicinity.
The front page of patent #1,608,560 can be found here
It is clear from the pictures taken of the Continental chassis that this type of coil is used
in its tuning system.
The Sparton Equasonne
Here are some pictures of the Sparton Equasonne model 109 chassis showing the
layout and a detailed look at the RF Amplifier unit as well as a partial schematic showing the
circuit.
Model 109 upper chassis (this used Cardon C-484/485 tubes)
A close look at the broadband RF amplifier module
The 109 schematic
The AC-Dayton Navigator
Here are some pictures of the AC-Dayton Navigator chassis showing the layout,
detailed look at the RF amplifier unit and a partial schematic showing the radio circuit.
The Navigator chassis
Looking down into the RF amplifier module
The underside of the amplifier (note the similarity of the coils to the Sparton)
The Navigator schematic
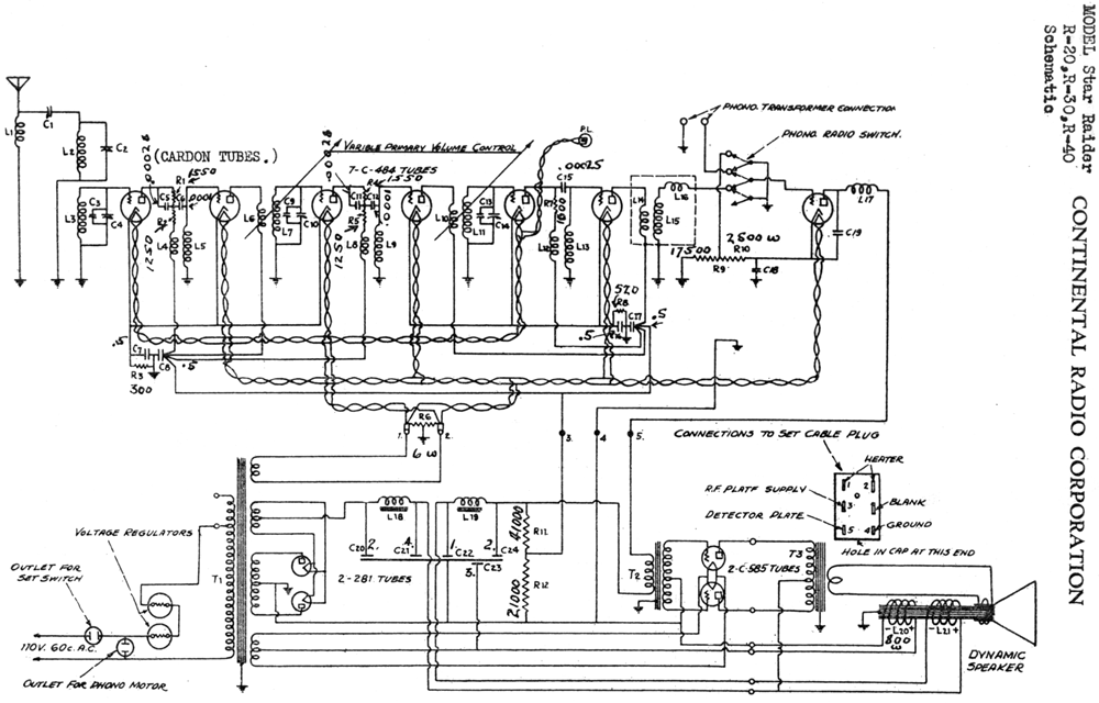
The Star Raider (Continental Radio Corp)
Here are pictures the Star Raider chassis made by Continental (Slagle). as well as its schematic.
(note the large tuning coils are exactly like the one depicted in patent 1608560).
The large cast aluminum chassis
View of the tube compartment with Cardon C-484 tubes
Looking under the chassis
Another view under the chassis
The Star Raider schematic
More to come soon